
Полуприцеп с количеством осей от 2 до 9. Полезная нагрузка от 20 до 90 т. Преимуществом данного типа полуприцепов хорошее соотношение собственного веса к массе перевозимого груза. Для удобной нагрузки, прицеп может быть оборудован механическими или гидравлическими трапами. Платформа может быть изготовлена в различных вариациях в зависимости от пожеланий клиента. Возможен металлический или деревянный настил, с возможностью углублений под колесную технику. Высота площадки от 800 мм, ширина до 3200 мм с расширителями. Для транспортировки длинномерных грузов предусмотрена опция телескопического удлинения на 1 – 2 степени.

| Технические характеристики | Описание |
|---|---|
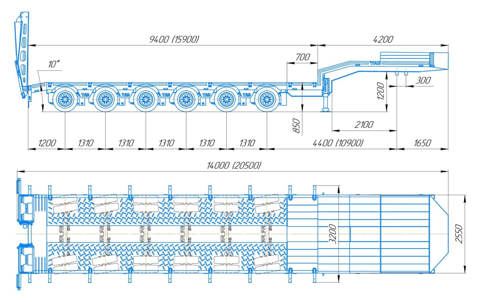
| Габариты: | • общая длина 14450 мм |
| Вес: | • 14000 кг собственная масса |
| Оси и подвеска: | • пневматическая, полурессора усиленная |
| Покраска: | • предварительная очистка металла методом дробеструйки, пескоструйки. Два слоя высококачественного грунта и два слоя устойчивой к повреждениям краски европейских производителей |
| Металл: | • высококачественная машиностроительная сталь S690, S350 отечественного или импортного производства, с высокими параметрами упругости и прочности |
| Базовая модель комплектуется: | • оси 10 т стандартные |
| Дополнительные опции которые не включены в базовую комплектацию: | • аппарели механические на пружинах (съемные) |
| Гарантия: | • на рамную конструкцию предоставляется гарантия 3 года или 150 т км пробега |
| Преимущества НАШЕГО прицепа | • прочная проверенная временем конструкция, которая выдерживает страшные перегрузки плохих украинских дорог |
Для вращения модели нажмите на изображение
OTP Leasing https://otpleasing.com.ua/

АТ “Ощадбанк” //www.oschadbank.ua/dotacii/deshevi-krediti/

АТ КБ “ПриватБанк” //privatbank.ua/business/prohramy-kompensatsiyi-dlya-ahrobiznesu

“АТ ПУМБ” https://b2b.pumb.ua/finance/finliz
Для получения компенсации нужно иметь счет в банке, статутный капитал которого больше 75% принадлежит государству Украины
Сделать оплату прицепа в банке
Подать в банк документы:
Компенсация возвращается после внесения данных в реестр Министерства аграрной политики на протяжении дня.
Покупать низкорамные прицепы компании ТАД стало еще выгоднее!
(Стоимость носит рекомендательный характер и может меняться)